行星齒輪減速機選型計算
行星減速機選型計算應確定以下技術參數:每天工作小時數;每小時起停次數;每小時運轉周期;可靠度要求;輸出轉速;載荷類型;環境溫度;現場散熱條件;減速機通常是根據恒轉矩、起停不頻繁及常溫的情況設計的。
行星減速機扭矩計算(suan)公式(shi):
速(su)比(bi)=電機輸出轉數(shu)÷減(jian)速(su)機輸出轉數(shu) (“速(su)比(bi)”也稱”驅動比(bi)”)。
1.知道(dao)電機(ji)功(gong)率和速比及使(shi)用系數,求減速機(ji)扭矩如下公式:
減速機(ji)(ji)扭(niu)矩=9550×電(dian)機(ji)(ji)功率(lv)÷電(dian)機(ji)(ji)功率(lv)輸入轉數(shu)×速比×使(shi)用系(xi)數(shu)
2.知道(dao)扭(niu)矩和減速機輸(shu)出轉數(shu)及(ji)使(shi)用系數(shu),求減速機所(suo)需配電機功率(lv)如(ru)下公式(shi):
電(dian)機(ji)功率=扭矩÷9550×電(dian)機(ji)功率輸入轉數÷速比÷使用系(xi)數
選用(yong)減(jian)速(su)機(ji)應考慮(lv)其結構(gou)類型、安裝形式(shi)、承載(zai)能力、輸出轉(zhuan)速(su)、工作條(tiao)件等(deng)因素(su)。行(xing)星(xing)(xing)減(jian)速(su)機(ji)主要是(shi)由行(xing)星(xing)(xing)輪(lun)、太(tai)陽輪(lun)和內齒(chi)圈構(gou)成,原理是(shi)行(xing)星(xing)(xing)輪(lun)圍繞太(tai)陽輪(lun)轉(zhuan)動從而(er)達(da)到(dao)減(jian)小轉(zhuan)速(su)增大扭矩的(de)目的(de)。今(jin)天我們來了解一下兆威行(xing)星(xing)(xing)減(jian)速(su)電機(ji)選型有哪些(xie)。行(xing)星(xing)(xing)齒(chi)輪(lun)輪(lun)系驅動比(bi)的(de)計算:
(一(yi))行星輪系(xi)的分類
若(ruo)輪系中,至少(shao)有一個齒輪的幾何軸(zhou)線(xian)不固(gu)定,而繞(rao)其(qi)它齒輪的固(gu)定幾何軸(zhou)線(xian)回(hui)轉,則稱為行星(xing)輪系。

行星輪(lun)系(xi)的(de)組成:行星輪(lun)、行星架(jia)(系(xi)桿)、太(tai)陽(yang)輪(lun)
(二)行星(xing)輪系驅動(dong)比的計算(suan)
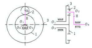
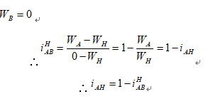
以差動輪系為例(反(fan)轉(zhuan)法)
轉化機構(定軸輪系) T的機構

差動輪系:2個運動
行星輪系:


對于行量輪系:

1、分析輪系的組成
1、2、2’、3——定軸輪系;
1’、4、3’、H——周轉輪系
2、分別寫出各輪(lun)系的驅動(dong)比(bi)

了(le)解了(le)行(xing)(xing)星齒輪減速(su)機(ji)計算,我們來看看行(xing)(xing)星齒輪減速(su)機(ji)的(de)選型(xing)。行(xing)(xing)星齒輪減速(su)機(ji)選型(xing)因素(su):
1)應選(xuan)擇與(yu)電機安裝法蘭(lan)相(xiang)匹配的行星(xing)齒輪(lun)減速機
2)確(que)定減速(su)比:具體(ti)的減速(su)比是(shi)設備(bei)廠家(jia)根(gen)據自(zi)己的設備(bei)要求來確(que)定的。級數越(yue)高(gao),價格越(yue)貴,間隙越(yue)大。
3)確定減(jian)速機的輸(shu)入和輸(shu)出形式:輸(shu)入方(fang)面,有孔輸(shu)入和軸輸(shu)入;輸(shu)出方(fang)面,有軸輸(shu)出、孔輸(shu)出、法蘭盤輸(shu)出等。
ZWBPD系列:
ZWBPD006006、ZWBPD010010、ZWBPD016016、ZWBPD020020、 ZWBPD022022、ZWBPD024024、ZWBPD028028
ZWPD系列:
ZWPD008008、ZWPD012012、ZWPD032032
ZWBMD系列:
ZWBMD003003、ZWBMD004004、ZWBMD006006、ZWBMD010010、ZWBMD020020、ZWBMD022022、ZWBMD024024、ZWBMD028028、ZWBMD032032
ZWMD系列:
ZWMD008008、ZWMD012012、ZWMD016016、ZWMD038038
金屬行星減速電機
塑膠行星減速電機